- Технические характеристики и другая информация предоставляются для справки.
- Чертежи и изображения представлены для ознакомления
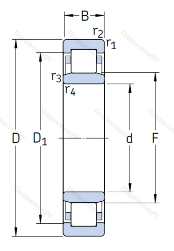
Роликовый цилиндрический подшипник NU 2214 ECP/C 3
Роликовый цилиндрический подшипник NU 2214 ECP/C3, это разновидность однорядного роликоподшипника в метрическом исполнении.
Конструкция включает:
- внешнее кольцо с двумя бортами, направляющими движение тел качения;
- внутренняя съёмная обойма без бортов;
- короткие цилиндрические ролики со снятыми торцевыми фасками;
- сепаратор.
Последние, в зависимости от типа подшипника, производятся в нескольких вариантах. Чаще всего, это литые полимерные (маркируются литерой «Е» в суффиксе) оконного типа либо латунные, полученные машинной обработкой заготовки (маркировка «М»). Могут исполняться из листовой стали или алюмосодержащих сплавов.
Рабочий диапазон температур имеет верхние ограничения. В зависимости от материала сепаратора:
- латунь/сталь - (-30/+150) °C;
- полиамид - (-30/+120) °C;
- если в производстве применяется фреон/аммиак, максимальная температура для подшипника с полиамидным сепаратором, +70° C.
Какая особенность конструкции определяет высокий спрос на Роликовый цилиндрический подшипник NU 2214 ECP/C3
- разборное исполнение, упрощающее монтаж;
- оптимизированная форма дорожки и кромок роликов, исключающая «краевой эффект»;
- допускает применение в роли плавающего подшипника, компенсируя температурные расширения вала.
Хотите купить по-настоящему качественный и оригинальный Роликовый цилиндрический подшипник NU 2214 ECP/C3? Сделайте это в нашей компании.
| Бренд | SKF |
| Страна производитель | ГЕРМАНИЯ |
| Внутренний диаметр d | 70 мм |
| Внешний диаметр D | 125 мм |
| Ширина B(H) | 31 мм |
|
Производитель
|
SKF |
|
Ширина B
|
31 |
|
Внешний диаметр D
|
125 |
|
Внутренний диаметр d
|
70 |
|
Размер
|
70x125x31 |
|
Модель
|
NU 2214 ECP/C3 |
Похожие по размеру
Оформить заказ на нашем сайте легко. Просто добавьте выбранные товары в корзину, а затем перейдите на страницу Корзина, проверьте правильность заказанных позиций и нажмите кнопку «Оформить заказ» или «Быстрый заказ».
Функция «Быстрый заказ» позволяет покупателю не проходить всю процедуру оформления заказа самостоятельно. Вы заполняете форму, и через короткое время вам перезвонит менеджер магазина. Он уточнит все условия заказа, ответит на вопросы, касающиеся качества товара, его особенностей. А также подскажет о вариантах оплаты и доставки.
По результатам звонка, пользователь либо, получив уточнения, самостоятельно оформляет заказ, укомплектовав его необходимыми позициями, либо соглашается на оформление в том виде, в котором есть сейчас. Получает подтверждение на почту или на мобильный телефон и ждёт доставки.
Если вы уверены в выборе, то можете самостоятельно оформить заказ, заполнив по этапам всю форму.
Выберите из списка название вашего региона и населённого пункта. Если вы не нашли свой населённый пункт в списке, выберите значение «Другое местоположение» и впишите название своего населённого пункта в графу «Город». Введите правильный индекс.
В зависимости от места жительства вам предложат варианты доставки. Выберите любой удобный способ.
Оплата
Выберите оптимальный способ оплаты.
Введите данные о себе: ФИО, адрес доставки, номер телефона. В поле «Комментарии к заказу» введите сведения, которые могут пригодиться курьеру, например: подъезды в доме считаются справа налево.
Проверьте правильность ввода информации: позиции заказа, выбор местоположения, данные о покупателе. Нажмите кнопку «Оформить заказ».
Наш сервис запоминает данные о пользователе, информацию о заказе и в следующий раз предложит вам повторить к вводу данные предыдущего заказа. Если условия вам не подходят, выбирайте другие варианты.



